18+ coil wire diagram
Coil Wiring Diagram And Test Pdf Ignition System Electronic Circuits

Kc Hilites 6 In Apollo Pro Halogen 2 Light System 100w Spread Beam Rusty S Off Road Products
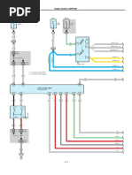
Ignition Coil Wire Diagram Toyota Nation Forum
Ignition Wire Set Black Braided Motorcycle
2000i Ultima Programmable Single Fire Electronic Ignition Module Kicke American Classic Motors
Ferrari Mondial Mondial 8 1981 038 Engine Ignition Part Diagram
Voicestar 300 Technical Specifications
Whites Switch Kill Yam Yz250f 450f 03 04 5sf
How To Wire Ignition With Points And Coil Youtube
I Have A Vauxhall 1998 Astra Mk4 1 6 16v And The Cooling Fan Runs All The Time I Have Put A New Tep Senser On And It
Ignition Types And Coil Wiring
Taramps 18 Thunder Bass 3k7
Kingsteel Oem 12361 0l020 Wholesale Steering Car Auto Parts Front Engine Mounts Mountings For Toyota Hilux Vigo Innova Fortuner
Macgregor 26m Instructions
The Scheme Of Experiments 1 Cathode 2 Anode 3 Igniter 4 Download Scientific Diagram
Latest Posts Of Thank You Bmwman91
Ignition Types And Coil Wiring
Honda Cd175 Wiring Diagram Motorcycle Wiring Electrical Wiring Diagram Electrical Diagram